DC 3000 Series Wheel Chair Lift #2
POWER UP GRAVITY DOWN with EMERGENCY HAND PUMP
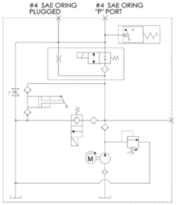
Description
For applications with single acting cylinders that extend the cylinders by power and retract the cylinder by gravity. Back up emergency hand pump when battery power is not available.
Specifications
Motor
12V OR 24V DC
Pressure
500 – 2500 PSI (35 BAR – 175 BAR) TYPICAL PRESSURE FOR 12V or 24V DC 1750 PSI (120 BAR)
Pump
0.5 GPM TO 1.2 GPM (1.9 LPM – 4.5 LPM) Based on Specification
Reservoir
Plastic 1.5 QT (1.4 LTR)
Control
Provided by Customer
Technical Application
- Van or Bus Wheel Chair Lifts
- Home Wheel Chair Lifts
For more information on our hydraulic power units, please contact one of our specialists by phone, (949) 752-8818 or by email at sales@ktihydraulicsinc.com.





