DC 4000 Series Double Acting
Power Up, Power Down
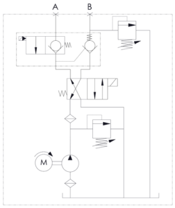
Description
For applications with a double acting cylinder that extends the cylinder by power and retracts the cylinder by power. There is positive load holding on both ends of the cylinder.
Specifications
Motor
12V or 24V DC
Pressure
500 – 4000 PSI (35 BAR – 275 BAR), Typical pressure for 12V DC = 3200 PSI (220 BAR)
Pump
0.5 GPM(1.875 LPM) to 5 GPM(18.75 LPM) based on specification
Reservoir
Steel or Plastic, 1.5 QT (1.42 LTR) to 5 Gallon (18.93 LTR)
Control
2 button remote pendant, wireless remote
Technical Application
- Tipper/Dump Trailer
- Leveling System
- Hydraulic Jack
- Dump Body
- Lift Table
- Hydraulic Press
- Scissor Lift
- Man Lift
For more information on our hydraulic power units, please contact one of our specialists by phone, (949) 752-8818 or by email at sales@ktihydraulicsinc.com.




